- Material y acabado: Fabricado en acero inoxidable AISI 304, homologado para aplicaciones que requieren resistencia a la oxidación y baja necesidad de mantenimiento. El acabado pulido ofrece un aspecto discreto y profesional en instalaciones a la vista.
- Compatibilidad: Específicamente concebido para paneles de 12–13 mm; su geometría en U permite alojar el borde del panel y fijarlo con tornillo pasante, asegurando alineación y estabilidad.
- Accesorios incluidos: El producto se suministra con dos tornillos para la fijación a pared, lo que facilita el montaje y reduce la necesidad de adquirir tornillería adicional.
- Instalación y uso: Montaje mural sencillo; se recomienda taladrar la superficie guía y utilizar fijaciones adecuadas al tipo de paramento. Su perfil compacto resulta ideal para estanterías ligeras, sujeciones de paneles decorativos y elementos de carpintería.
- Mantenimiento y durabilidad: Baja exigencia de mantenimiento; evitar limpiadores con cloro (lejía) para preservar el acero. Su resistencia y acabado lo hacen apto para proyectos de taller, obra y decoración.
SOPORTE U PARA TORNILLO PASANTE
Aviso sobre las imágenes
Las imágenes son orientativas, el color y las medidas de las ilustraciones presentadas en esta página web pueden variar ligeramente respecto el producto final. Los textos de las descripciones y/o precios podrían contener errores tipográficos.
Información del producto
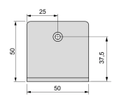
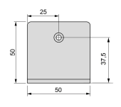
Soporte en U para tornillo pasante diseñado para fijar paneles de 12–13 mm con seguridad y discreción. Fabricado en acero inoxidable AISI 304, ofrece alta resistencia a la corrosión y un acabado pulido que mantiene la estética en instalaciones visibles. Su diseño compacto facilita la instalación en pared y viene con dos tornillos para un montaje rápido. Es una solución duradera y fiable para carpintería, muestras, mamparas y proyectos profesionales donde la sujeción precisa y la longevidad son imprescindibles.
Más detalles
Características
-
Marca
Palbox
-
Grupo de artículos
Accesorios
-
Tipo de producto
Soporte U
-
Material
Acero inoxidable
-
Calidad
304
-
Aplicación
Cabinas sanitarias
-
Ancho (mm)
50
-
Altura (mm)
50
-
Fondo (mm)
17,5
-
151214000
50X50MM INOX 304
24/48h2,83 € / unidad
Más detalles
- Material y acabado: Fabricado en acero inoxidable AISI 304, homologado para aplicaciones que requieren resistencia a la oxidación y baja necesidad de mantenimiento. El acabado pulido ofrece un aspecto discreto y profesional en instalaciones a la vista.
- Compatibilidad: Específicamente concebido para paneles de 12–13 mm; su geometría en U permite alojar el borde del panel y fijarlo con tornillo pasante, asegurando alineación y estabilidad.
- Accesorios incluidos: El producto se suministra con dos tornillos para la fijación a pared, lo que facilita el montaje y reduce la necesidad de adquirir tornillería adicional.
- Instalación y uso: Montaje mural sencillo; se recomienda taladrar la superficie guía y utilizar fijaciones adecuadas al tipo de paramento. Su perfil compacto resulta ideal para estanterías ligeras, sujeciones de paneles decorativos y elementos de carpintería.
- Mantenimiento y durabilidad: Baja exigencia de mantenimiento; evitar limpiadores con cloro (lejía) para preservar el acero. Su resistencia y acabado lo hacen apto para proyectos de taller, obra y decoración.